Revolutionising Global Electrification: The Legacy of 2024 Millennium Technology Prize Winner Prof B. Jayant Baliga and the IGBT
Asst Prof Amer M. Y. M. Ghias | School of Electrical and Electronic Engineering, NTU
Few inventions have reshaped modern power systems as profoundly as the Insulated Gate Bipolar Transistor (IGBT). Honoured with the 2024 Millennium Technology Prize, Prof Bantval Jayant Baliga is celebrated for creating this semiconductor device, which today drives everything from high-speed trains to renewable-energy grids.
Prof B. Jayant Baliga
(image credit: https://millenniumprize.org/winners/revolutionizing-global-electrification/)
From Concept to Ubiquity
In the early 1980s, Prof Baliga combined the high-current capability of a bipolar transistor with the easy control of a MOSFET, overcoming the limits of each technology. The result—the IGBT—delivers efficient, high-voltage switching with minimal losses. This breakthrough allowed engineers to move beyond bulky mechanical systems and into an era of compact, reliable power electronics.
Transforming Industries and Daily Life
IGBTs are now embedded in electric vehicles, high-speed rail, industrial motors, and the global energy infrastructure, enabling clean and efficient conversion of electricity at scales unimaginable four decades ago. They have cut power losses in motor drives by more than 40 %, saving billions of dollars annually and reducing CO₂ emissions worldwide.
IGBT revolutionises industries worldwide, powering technologies from life-saving X-ray machines to sustainable electric transportation.
Paving the Road to the Future
Prof Baliga’s work also set the stage for wide-bandgap semiconductors such as silicon carbide (SiC) and gallium nitride (GaN)—devices highlighted in NTU research on next-generation converters. These materials build on his original “figure of merit” for evaluating power devices, pushing efficiency and power density to new heights.
Prof Baliga’s invention exemplifies how a single idea can enable a cascade of technological progress, powering the global transition to sustainable energy and electrified transportation.
Evolution, Applications, and New Developments in Power Converter Topologies
The evolution of semiconductor technology, from early rectifiers to modern wide-bandgap (WBG) devices, has transformed the landscape of power electronics. Figure 1 illustrates the historical trajectory—from mercury arc rectifiers and triodes in the early 1900s to the development of bipolar junction transistors (BJTs), MOSFETs, and the revolutionary Insulated Gate Bipolar Transistor (IGBT) in 1986. This progression ushered in the Silicon Age, which was later followed by the Wide-Bandgap era, marked by the emergence of SiC and GaN devices in the 1980s and 1990s. These materials, building on Baliga’s figure of merit, enable higher power density, lower conduction losses, and superior thermal performance—extending the legacy of efficient power conversion pioneered by Prof Baliga’s invention.
Figure 1. A timeline of the evolution of semiconductor technology 3, 4.
The scope of power electronics spans from low-voltage consumer electronics to high-voltage renewable energy and transportation systems. Figure 2 presents the voltage domains and associated technologies—showing how GaN dominates low-voltage (<200 V) converters such as laptop adapters, SiC extends efficiency to medium-voltage drives and EV chargers, and Si remains prevalent in general-purpose power systems. High-voltage SiC-based converters now underpin smart grids, rail systems, and maritime propulsion, marking the convergence of material innovation with large-scale electrification.

Figure 2. Power electronics applications across voltage domains.
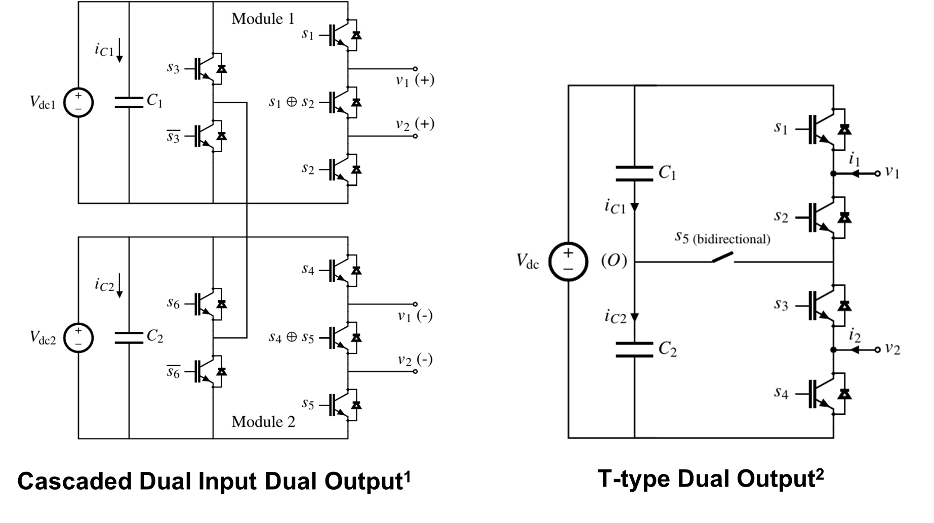
Building upon these semiconductor advances, Assistant Prof Amer M. Y. M. Ghias and his researchers at NTU have developed several innovative converter topologies that expand Baliga’s principles of efficiency and scalability. These include the Cascaded Multi-Output Multilevel Converter, the Reduced Switch Count Dual-Output T-Type Multilevel Converter, and the Active Nested Neutral-Point-Clamped (NNPC) Converter. Each topology enhances modularity, reduces harmonic distortion, and enables flexible multi-port operation with improved fault tolerance. Representative schematics are shown in Figure 3.

Figure 3. Novel converter topologies developed 1,2.
Figure 4. Multiport power converter demonstration 2. View the video simulation.
Figure 4. demonstrates the experimental validation of a multiport inverter prototype capable of bidirectional energy flow and independent control across ports. This design exemplifies how topology innovation bridges semiconductor capabilities and real-world power management, paving the way for next-generation DC distribution and hybrid energy storage systems.
Click here for more information on Prof Jayant Baliga's Insulated Gate Bipolar Transistor (IGBT).

References
1A. Hussein and A. Ghias, 'Cascaded Multi-Output Multilevel Converter: Modulation and Operating Limits,' IEEE Transactions on Industrial Electronics, 2021.
2A. S. Hussein and A. Ghias, 'Reduced Switch Count Dual-output T-type Multilevel Converter,' IECON 2020 The 46th Annual Conference of the IEEE Industrial Electronics Society, Singapore, 2020.
3T. G. Wilson, 'The Evolution of Power Electronics,' IEEE Trans. Power Electronics, vol. 15, no. 3, pp. 439–446, May 2000.
4G. Wolf, 'A Short History on Solid-State Power Electronics,' Transmission & Distribution World, June 2017.




